DTP-E-60 20-100°C/12mm, černý, G1/2"

Teploměr typ DTP-E - doprodej skladových zásob, již se nevyrábí.
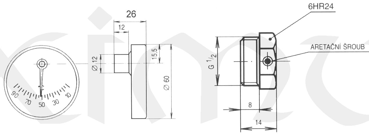
Teploměr DTP-E je určen k měření teploty média v teplovodních rozvodech. Teploměr lze použít k měření teploty v jakékoliv poloze. Zabudování do rozvodu lze provést pomocí jimky. Pro rozlišení použití do různých teplotních obvodů lze tisk stupnice provést v barvě černé.
Teploměr se skládá z hlavice z ušlechtilé oceli a excentricky uloženého teploměrného čidla. V hlavici je upevněné čidlo, ukazatel a stupnice. V čidle je umístěn dvojkovový měřicí systém ve tvaru Archimedovy spirály, který se působením tepla otáčí. Pohyb je hřídelkou přenášen na ukazatel udávající teplotu na stupnici.
Před zabudováním teploměru je nutno do potrubí zašroubit teploměrovou jímku. Jímku dotáhnout pomocí klíče 24 mm. Čidlo teploměru zasunout až na doraz a jeho aretaci provést utažením šroubu umístěného na boční straně teploměrové jímky. Při demontáži přístroje uvolnit aretační šroub a vyjmout teploměr z jímky.

Měřicí rozsah +20 až +100°C
Dělení stupnice po 2°C
Barva stupnice černá
Hmotnost teploměr 62 g, jímka 28 g

Parametry výrobku:

Průměr hlavice 60 mm
Délka stonku 12 mm
Teplotní rozsah 20-100 °C
Provedení teploměru zadní=rovné
Ke stažení: teplomery_termostaty_au.pdf
Cena: Na dotaz!
Do košíku

Volitelné příslušenství

Id: 1589,   ID_Pohoda : E1364,