Váš košík je prázdný!
Košík
Uživatelské jméno:
Heslo:
Zapamatovat?
Úvod
Akční nabídka
O nás
- Novinky -
Historie
Obchodní podmínky
Přeprava zásilek
Veletrhy - výstavy
Produkty
Provozní přenosné přístroje
Revizní přístroje
Měřiče izolačního odporu
Měřiče přechodových odporů
Plynový filtr PFM
Elektrické předehřívače plynu
Měřící transformátory
Analogové(ručkové) měřící přístroje do panelu a rozvaděčů
Přístroje pro laboratoře a zkušebny
Služby
Kalibrace přístrojů a zařízení
Opravy měřící techniky
Kompletace dodávek
Kalkulátory pro převod jednotek
Ceníky
Revizní přístroje
Ostatní výrobky
Ke stažení
Kontakty
Eshop
Revizní přístroje
Revize el. spotřebičů a nářadí
Přístroje pro revize el. instalací
Měření izolačních odporů
Pro revize lékařských přístrojů
Pro kontrolu proudových chráničů
Revize el. částí strojního zařízení
Měření přechodových odporů
Měření zemních odporů
Měření impedance smyčky
Příslušenství k revizním přístrojům
Pro měření unikajících proudů
Provozní přístroje
Digitální multimetry
Analogové multimetry
Testery datových sítí
Klešťové multimetry
Zkoušečky
Sled fází
Analyzátory - wattmetry
Scopemetry
Osciloskopy
RLC měřiče
Kalibrátory procesních signálů
Generátory
Testery akumulátorů
Zkoušečky zářivek
Příslušenství - převodníky proudu
Příslušenství
Teplota, vlhkost, termokamery...
Teploměry
Teploměry vpichovací
Vícekanálové teploměry
příslušenství k teploměrům
Bezkontaktní teploměry
Vlhkoměry
příslušenství vlkoměry Greisinger
Dataloggery
Meteostanice
Termokamery
Teploměry pro domácnost a zahradu
Neelektrické veličiny
Luxmetry
Hlukoměry
Otáčkoměry
Anemometry
Tlakoměry ruční
příslušenství k tlakoměrům
Vodivost Ph Rh CO
příslušenství Greisinger.
Vzdálenost
Endoskopy, boroskopy
Tloušťka laku
měřiče vibrací
Hledačky a detektory
Detektory napětí bezkontaktní
Testery a třídiče kabelů
Lokátory kabelů a potrubí
Délky kabelů - reflektometry
Magnetické detektory
Detektory kovů
Detektory plynu
Alkoholtestery
Laboratorní přístroje a zdroje
Kalibrátory
Zdroje laboratorní
Čítače
Dekády
Přístroje pro laboratoře a zkušebny
Rozvaděčové přístroje
Analogové – ručkové
Rozvaděčové pro čtvercový otvor
Panelové pro kruhový otvor
ANSI rozvaděčové přístroje
Bargrafy
Velkoplošné zobrazovače
Digitální – číslicové
Ampérmetry stejnosměrné DC
Voltmetry stejnosměrné DC
Multifunkční přístroje - supervisory
Ampérmetry střídavé AC
Voltmetry střídavé AC
Příslušenství digitálních přístrojů
Registrační přístroje a datalogery
Zapisovače - registrátory
Datalogery - záznamníky
Měřící transformátory
Proudové
Napěťové
Třífázové
Součtové
DC proudové měřící trafa
Příslušenství k transformátorům
Trafa s výstupem
Převodníky
Teploty (°C)
DC signálů (stejnosměrných)
Převodníky DC napětí
Galvanické oddělovače
Převodníky DC výkonu
Převodníky DC proudu
Převodníky DC práce
Odporu a potenciometrů
AC signálů (střídavých)
Převodníky AC napětí
Výkon-wattmetry
Fázoměry
Převodníky AC proudu
Kmitočtu
Digitální
Zdroje napájecí
Komunikační moduly
GSM, wi-fi, ethernet moduly
Teplota
Teploměry ručkové-analogové
Bimetalové stonkové teploměry
Bimetalové příložné teploměry
Kapilární teploměry
Spínací s kontaktem
Teploměrové jímky a příslušenství
Tlakové teploměry
Skleněné teploměry
Teploměry pro domácnost
Digitální teploměry
Termostaty
Bimetalové stonkové
Kapilární, příložné, interiérové
Digitální termostaty
Jímky a příslušenství pro termostaty
Regulátory teploty
Čidla teploty
Teplotní pojistky
Termomanometry
Tlak
Tlakoměry
Standardní
Glycerinové
Chemické celonerezové
Celonerezové s glycerinem
Nízkozlaké
Tlakoměry s kapilárou
Spínací tlakoměry
Manostaty
Čidla tlaku
Tlakové spínače
Elektroměry
Podružné měření
Na DIN lištu
Na kříž
Do zásuvky
Fakturační měření
DC práce
Zkušební svorkovnice
Příslušenství elektroměrů
Bočníky
Akumulátory, baterie
Olověné akumulátory Pb
LiFePO4, Li-ion akumulátory
NiMH, NiCd, NiZn akumulátory
Baterie alkalické
Baterie lithiové
Nabíječky akumulátorů
Transformátory napájecí
Mazací technika
Olejoznaky
Mazací hlavice
Mazací zátky
Manopříslušenství
Tlakoměry
IoT
Ostatní
Regulátory hladiny
Úvod
»
Eshop
»
Bočníky
»
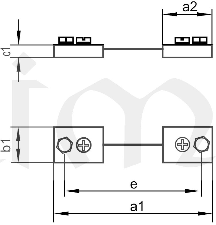
Bočník B2_50A/60mV, tp.0,5%
Bočník B2_50A/60mV, tp.0,5%
Parametry výrobku:
úbytek napětí
60 mV
Proudový rozsah
50 A
Třída přesnosti bočníku podle DIN 43 780
0,5 %
Konstrukční provedení bočníku
D
Ke stažení:
Bocniky_EXIMUS.pdf
Cena: 536 Kč
(bez DPH)
Cena: 649 Kč včetně DPH 21 %
Do košíku
Volitelné příslušenství
A sokl - izolační podložka na DIN lištu
155 Kč
Do košíku
Kalibrační list k bočníku, ČR
Na dotaz!
Do košíku
Kalibrační list k bočníku Akreditovaná lab.ČR
Na dotaz!
Do košíku
izolační podložka B1 pod bočník 1pár
Na dotaz!
Do košíku
Id: 11405,