Termostat KR20, +35..+95°C

Kapilární regulátor KR

Kapilární regulátor (termostat) za normálních pracovních podmínek udržuje teplotu ve spotřebiči nebo jeho části, v mezích nastavených uživatelem automatickým vypínáním a zapínáním elektrického obvodu. Typické použití termostatu KR je při regulaci elektrických ohřívačů vody.

Popis
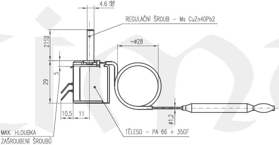
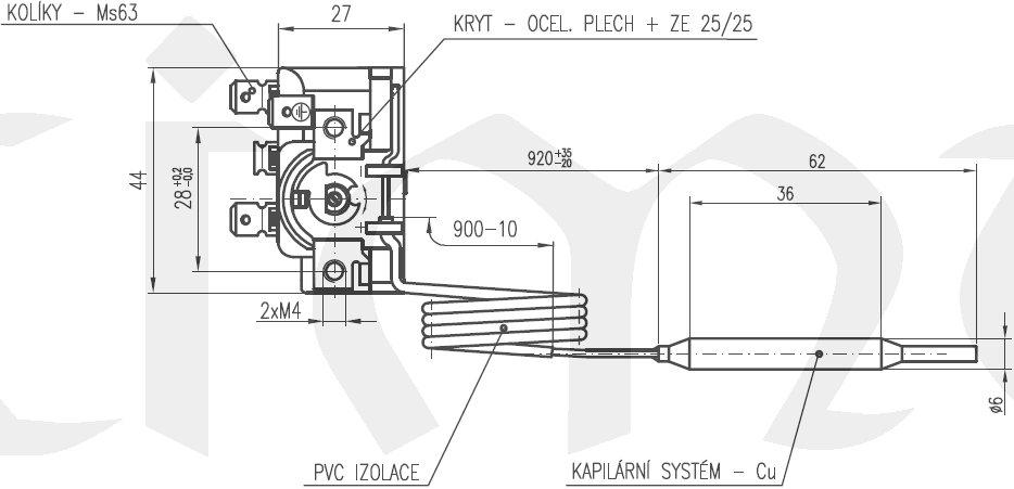
Kapilární regulátor KR je jednopólový regulátor teploty, jehož funkce je založena na principu dilatace kapaliny. Sestává ze dvou základních částí, a to ze spínacího ústrojí a kapilárního teplotního čidla. Vyrábí se v provedení rozpínacím bez nebo se signální svorkou. Zajišťuje mikroodpojení fázového vodiče. Může signalizovat mikroodpojení elektrické zátěže. Je určen výhradně do jednofázových spotřebičů pro domácí a podobné účely, pro které platí ČSN EN 60335-1.

Použití k jiným účelům je nutno předem projednat s výrobcem. Kapilární regulátor není určen k odpojení elektrického spotřebiče od sítě.

Přednosti

  • možnost variabilního umístění a natočení čidla nezávisle na poloze spínacího ústrojí
  • možnost montovat spínací ústrojí v libovolné poloze
  • možnost ohýbat kapiláru podle podmínek montáže
  • žádná vlastní spotřeba energie
  • nízké náklady na provoz a údržbu

Typ

KR 10 (KR 11)

KR 20 (KR 21)

Pracovní rozsah

(7÷77) °C

(35÷95) °C

Výrobní odchylka max. vyp. teploty

±6°C

±4°C

Spínací diference

2÷6 K

2÷6 K

Jmenovitý proud

16/10 A

16/10 A

Jmenovitý proud sign. obvod

2 A

2 A

Minimální proud

2 A

2 A

Druh zatížení

ohm. s účiníkem min. 0,95

ohm.s účiníkem min. 0,95

Jmenovité napětí

240/400 V ~

240/400 V ~

Teplotní meze spín. ústrojí

0÷90°C

0÷90°C

Max. teplota čidla

90°C

110°C

Krytí

IP 00

IP 00

Třída ochrany

I

I

Životnost

100 000 prac. cyklů

100 000 prac. cyklů

Automat. působení typu

2 BL

2 BL

Délka kapiláry
KR10=KR11=KR11DR=500mm, KR11TR=1000mm
KR20N=500mm, KR20=KR21=1000mm

Min. poloměr ohybu kapiláry

5 mm

5 mm

Připojovací svorky
ploché kolíky 6,3 x 0,8 dle ČSN EN 61210
ploché kolíky 6,3 x 0,8 dle ČSN EN 61210

Parametry výrobku:

Regulační rozsah +35..+95 °C
Délka kapiláry [cm], nebo provedení 93
Odkazy Příslušenství - ochranné jímky
Ke stažení: teplomery_termostaty_au.pdf
Cena: 224 Kč (bez DPH)
Cena: 272 Kč včetně DPH 21 %
Do košíku

Volitelné příslušenství

Id: 1612,   ID_Pohoda : 4567,