Termostat rozpínací +90°C ST.01.U8-60P5

rozpínací kontakt při +90+5°C,
automatický reset při poklesu na +60°C±15°C,
max. zatížení kontaktů 250V, 5A ,
pouzdro izolované mat. PBT,
vývody délka 12mm.

Udc (URRM, UCEO, Umax) = 60 [V]
UAC-IN (max.vstupní střídavé napětí) = 500 [V]
IAC-OUT (TC/TA=25°C) = 5 [A]
Uisol (@25°C/1min/50Hz) = 2500 [V]
RDC = 0.05 [Ω]

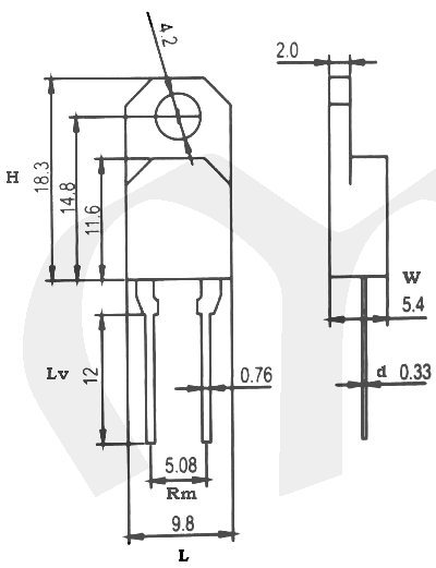
RM - rozteč vývodů2.5 [mm], pouzdro THT otvor pr.4.2mm
Počet vývodů
W-šířka5.4 [mm]
L - délka9.8 [mm]
H - výška18.3 [mm]
Lv (délka vývodů)12  [mm]
vývody0.76x0.33  [mm]

Balení a hmotnost:

Hmotnost1.6  [g]
Balení100ks  
Typ baleníSYP 

Parametry výrobku:

Regulační rozsah +90 °C
Délka kapiláry [cm], nebo provedení příložný
Ke stažení: Termostaty_ST.01.Ux_datasheet.pdf
Termostaty_ST.01.Ux_datasheet2.pdf
Cena: Na dotaz!
Do košíku

Id: 18319,