Regulátor teploty RT8801 (dále jen RT) je určen k regulaci teploty v zařízeních napájených střídavým elektrickým proudem, např. olejových radiátorů. RT neslouží jako vypínač.!.01 je osazen rozpínacím kontaktem (2svorky) tzn.při dosažení nastavené teploty rozepne.
Popis
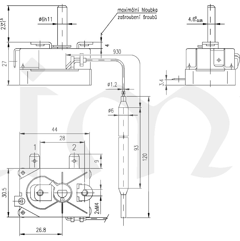
RT je jednopólový kapilární regulátor teploty založený na principu dilatace kapaliny. RT sestává ze dvou základních častí - ze spínacího ústrojí a kapilárního teplotního čidla. Na krytu je ochranný zemnící kolík. Regulovanou teplotu může uživatel nastavit v rozmezí regulačního rozsahu. Montáž RT se provádí dvěma šrouby M4.
Přednosti
- možnost variabilního umístění a natočení čidla nezávisle na poloze spínacího ústrojí
- možnost montovat spínací ústrojí v libovolné poloze
- možnost ohýbat kapiláru podle podmínek montáže
- systém nemá žádnou vlastní spotřebu energie
- nízké náklady na provoz a údržbu oproti elektronickým systémům
Technické údaje
|
Regulační rozsah |
0 °C až 40 °C |
|
Přesnost nastavení max. rozpínací teploty |
±2 °C |
|
Diference spínací hodnoty |
1-3 K |
|
Jmenovitý proud |
16 (2,6) A |
|
Jmenovité napětí |
240 V st. |
|
Meze teploty spínacího ústrojí |
0 °C - 150 °C |
|
Max.teplota čidla |
50 °C |
|
Krytí |
IP 00, RT je vestavný |
|
Třída ochrany |
I |
|
Životnost |
100 000 automatických cyklů |
|
Délka kapiláry |
1 000 mm |
|
Min.poloměr ohybu kapiláry |
Rmin = 5 mm |
|
Připojovací svorky |
ploché kolíky 6,3x0,8mm dle ČSNEN61210 |
Výrobek je certifikován VDE.
Přehled typového označení
|
Typ |
Regulační rozsah teplot [°C] |
Provedení |
Počet svorek |
Provedení |
Zemnící kolík |
|
8801.01 |
0-40 |
rozpínací |
2 |
rovné |
ano |
|
8801.011 |
0-40 |
přepínací |
3 |
rovné |
ano |
|
8801.011U |
0-40 |
přepínací |
3 |
úhlové |
ano |
